Si vous êtes à la recherche de 23454229 – Chevrolet Liftgate Object Sensor | Island GM, Duncan BC vous êtes venu à droite web. Nous avons 24 Pictures à propos de 23454229 – Chevrolet Liftgate Object Sensor | Island GM, Duncan BC comme 2 post lift wiring diagrams, Kia Sorento Tail. Support. Lifter. Cylinder. Hatch lift support. Lift et aussi Patent US8473167 – Lift gate control system – Google Patents. Le voici:
23454229 – Chevrolet Liftgate Object Sensor | Island GM, Duncan BC

parts.islandgm.com
liftgate tahoe equinox lift yukon islandgm
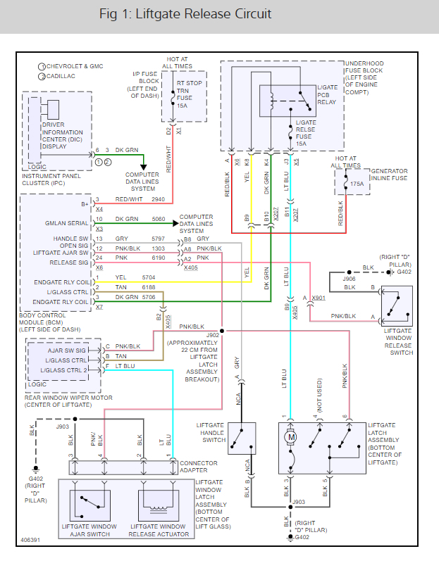
Explorer Lift Gate Wiring Diagram
fixmanualfried.z13.web.core.windows.net
Liftmaster CSL24U Slide Gate Operator Parts Breakdown
gatehousesupplies.com
liftmaster gate
Patent US6516567 – Power Actuator For Lifting A Vehicle Lift Gate
www.google.com
patents gate patent lift lifting
[DIAGRAM] Interlift Liftgate Wiring Diagram FULL Version HD Quality
eteachingplus.de
liftgate wiring interlift waltco rgl series
Lift-gate Issue: This Issue Started About A Year Ago When The Rear…
www.2carpros.com
lift gate
Mazda Mazda 6 Trim. LIFTG. Liftgate. Upper Gate. Upper – GM9F68930A72
www.jimellismazdaparts.com
Kia Sorento Tail. Support. Lifter. Cylinder. Hatch Lift Support. Lift
kiaparts.penceauto.com
lift kia sorento support liftgate gate hatch parts cylinder lifter tail
Eagle Lift Gate – Wanna Be A Car
wannabeacar.blogspot.com
gate parts liftgate
Patent US20130275000 – Lift Gate Control System – Google Patents
www.google.com
lift gate patents drawing
GMC Yukon XL 1500 Harness., W/pwr Lift Gate. W/power Lift Gate. W/pwr
www.tubmangmpartsdepot.ca
tahoe yukon gmc liftgate chevrolet latch lift gate harness actuator pwr
Patent US8473167 – Lift Gate Control System – Google Patents
www.google.com
maxon wiring liftgate diagram s204 gate patents lift schematic claims motor ec control
Patent US20130275000 – Lift Gate Control System – Google Patents
www.google.com
patents claims
Lift Gate Location And Photo: I Would Like To Know The Location Of…
www.2carpros.com
location gate lift
Jeep Lift Gate Diagram
automotorpad.com
2 Post Lift Wiring Diagrams
wiringdiagram101.b-cdn.net
Parts Breakdown – Lift Gate Me
www.yumpu.com
breakdown gate
2016 Ford C-Max Liftgate. W/O POWER LIFT GATE. W/POWER LIFT GATE. Rear
parts.lakelandford.com
liftgate gate parts ford max lift power
Eagle Gallery: Eagle Liftgate Manual
sophiaventress.blogspot.com
liftgate diagrams
Figure 32. Lift Gate Assembly Operation.
constructioncrushers.tpub.com
tm
Ford Tailgate Parts Diagram
schematic99.storage.googleapis.com
Lift Gate Location And Photo: I Would Like To Know The Location Of…
www.2carpros.com
location gate lift
Maxon Lift Gate Parts
equipmentspecialistsinc.com
parts gate lift maxon
Swing, &warning | LiftMaster RSL12V | RSL12V Wiring Diagram Manual (Page 2)
www.manualowl.com
liftmaster manual diagram wiring swing
Explorer lift gate wiring diagram. Lift kia sorento support liftgate gate hatch parts cylinder lifter tail. Gate parts liftgate
